Chauffage via webasto et circuit origine

play3000
Messages : 229
Enregistré le : 06 déc. 2021, 10:06
Localisation : Bretagne

Chauffage via webasto et circuit origine

Message par play3000 »

Bonjour,
J'ai un doute tout à coup.
Je suis donc parti pour conserver le Webasto et la pompe d'origine pour l'instant (bon, il faudra que je me penche prochainement sur les changement de câblage à faire pour le mettre sur les batteries accessoires et supprimer la tempo de 2h).
J'ai supprimé une partie des radiateurs d'origine et je vais mettre sur ce circuit des radiateur de maison classique, mais en hauteur. Hier, j'ai eu un doute sérieux : comment ça se passe avec mon vase d'expansion ? Je n'ai pas mesuré, mais il me semble que le haut de celui-ci est un peu plus haut que le circuit de radiateur. Du coup, avec un radiateur qui monte pratiquement au toit, je n'ai pas un risque, soit de ne jamais pouvoir remplir le radiateur, soit d'avoir un débordement de mon vase à chaque fois qu'il se remplit ?
A+
Play3000
lambish
Administrateur du site
Messages : 754
Enregistré le : 13 nov. 2021, 12:33

Re: Chauffage via webasto et circuit origine

Message par lambish »

Salut :)
Bonne idée pour le webasto, je l'ai fait aussi, je te conseillerai juste de changer la pompe par un modèle 220 qui consommera moins (celui d'origine c'est 100W, un truc de maison moderne c'est 15/20W) !
Pour le changement de câblage c'est simple aussi, le tempo c'est juste le boitier au poste de conduite qui le fait, si tu alimentes en direct par un thermostat ou autre comme moi, ben il tourne jusqu’à ce que tu lui dises stop. Il a tout un système de sécu interne etc... Qui sont dans son boitier a lui, comme le stop si la temp de départ en sortie du Webasto est sup a 82°C.
D'ailleurs, il va pas trop aimer je pense si tu ne mets pas de ballon tampon, car les cycles court c'est pas bon pour les chaudières. Et aussi car si c'est un Thermo/DBW 300 c'est 3/4 litres à l’heure. Le miens en pleins hiver avec le ballon entre 58 et 63°C tournes 20min (15minutes de flammes et le reste c'est des temps d'attente parce qu'il atteint trop vite les 82°C en sorti) toutes les 2/3 heures et du coup je bouffe 100L de fioul par mois entre Novembre et décembre. Bref, penses a ça, c'est pas des chaudières modulantes ces machins (comme celles au gaz etc), c'est 30Kw, l'équivalent pour une maison de 250m² ! Sinon tu le changes pour un plus petit qui pourras tourner en continue. Quoi qu'il en soit il te faudra une vanne mélangeuse.

Concernant la position des radiateurs, les miens aussi sont au dessus, la purge la plus haute est 2M au dessus du bouchon de remplissage du vase.
Alors tant que tu n'ouvres pas une purge et le vase en même temps, rien ne redescendra dedans (comme avec une pipette de prélèvement). Il n'y a pas d'appel d'air du coup c'est bon.
En ce qui concerne le remplissage, là tu vas t'amuser ^^ Perso j'ai mis une vanne de remplissage sur le circuit de chauffage, je remplis avec une pompe sans dépasser les 0.5Bar de pressions (le vase à une soupape à 0.75Bar et sinon tout part dedans et ça fini par dégueuler) et j'ai aussi une valve de gonflage sur la vase, pour mettre en pression le circuit après remplissage et faire la purge ;)
Bref, en gros c'est faisable, un peu chiant mais faisable ;)
Hey ! Viendez voir: http://www.4rouesmaurice.com/ c'est mon bus !
play3000
Messages : 229
Enregistré le : 06 déc. 2021, 10:06
Localisation : Bretagne

Re: Chauffage via webasto et circuit origine

Message par play3000 »

Bonjour,
Merci pour la réponse.
Effectivement, maintenant que j'y pense, la clim a aussi une entrée eau chaude pour le chauffage. Et les blocs clim sont dans le toit, donc bien au-dessus du vase d'expansion ! Je n'ai pas trop galéré pour remplir le circuit après mes 36 vidanges. De mémoire, il faut faire chauffer, mettre le chauffage à fond et refaire le plein ensuite (prévoir une ou deux sessions).
Bon, il faudra que je vois comment je peux l'alimenter par un autre moyen que le boitier du coup.
Pour la pompe, je serai bien resté sur 24V, histoire de ne pas tout recâbler... Mais effectivement, je crois qu'elle fait 100W (bon, elle tourne trop vite et est trop bruyante, donc il faut envisager de la changer).
Pas sûr de bien comprendre le coup du ballon par contre. J'aurai bien un ballon pour l'eau chaude, mais je ne suis pas sûr que ce soit de cela dont tu parles.
A+
lambish
Administrateur du site
Messages : 754
Enregistré le : 13 nov. 2021, 12:33

Re: Chauffage via webasto et circuit origine

Message par lambish »

play3000 a écrit : 05 juin 2022, 21:13 De mémoire, il faut faire chauffer, mettre le chauffage à fond et refaire le plein ensuite (prévoir une ou deux sessions).
Alors oui tu as cette methode (longue et surtout qui coute chère en gazoil) ou alors tu trouves un endroit ou mettre une valve de pneu et tu le fais a l'air, c'est plus simple, économique et pratique pour faire la purge facilement (un pti coup de gonflage a 0.5Bar et hop, tu purges sans démarrer et bouffer du gazoil ! un moteur PL de 12L de cylindré c'est environ 10l/h au ralenti !).
Bon, il faudra que je vois comment je peux l'alimenter par un autre moyen que le boitier du coup.
N'importe quel interrupteur ou thermostat qui fait juste interrupteur pour piloter la commande du webasto. Quand tu auras besoin tu me diras, j'ai tous les plans Webasto et je pourrais te dire quels fil alimenter en +24V pour le faire déclencher son cycle. Après de toute façon il ce gère seul et tournera pour essayer de chauffer tant que ce fil est alimenté (sauf si la sortie du webasto est a +72°C ou 82 je sais plus ^^, la il ce coupe jusqu'à redescendre à 68°C).C'est facile a trouver mais suivant le connecteur et sa forme, le modèle de control unit c'est pas le même.

Pour la pompe, je serai bien resté sur 24V, histoire de ne pas tout recâbler... Mais effectivement, je crois qu'elle fait 100W (bon, elle tourne trop vite et est trop bruyante, donc il faut envisager de la changer).

C'est vrai que c'est plus simple ainsi, d'autant que par défaut le circulateur est géré par le webasto directement. Si tu passe en 220V, faudra qu'au lieu d'alimenter le circu directement, ca aliment un relai qui lui fera inter pour le 220 du nouveau. Sinon tu fais comme moi comme j'explique ici : https://www.4rouesmaurice.com/ordinateu ... chauffage/
Pas sûr de bien comprendre le coup du ballon par contre. J'aurai bien un ballon pour l'eau chaude, mais je ne suis pas sûr que ce soit de cela dont tu parles.
Tu as mon schéma hydraulique sur l'article partagé en haut. En gros quand la chaudière chauffe, elle chauffe ce ballon. Ce dernier me sert au chauffage et aussi a l'eau chaude. Mon système est particulier avec mon ballon. Mais tu peux faire autrement en t'inspirant de ca.

Le but est d'avoir une masse d'eau chaude (inertie) dans laquelle tu vas piocher pour te chauffer.
Ainsi la chaudière ne tourne pas tout le temps, on évite les cycles courts de chauffe de celle-ci (a chaque fois y a des pertes de gasoil sur une chaudière au démarrage et à l’arrêt, c'est minime sur une journée mais sur un mois d'hiver ça représente presque 0.25L), le bruit et surtout d'envoyer du liquide a 80°C dans tes radiateur ou de perdre cette chaleur en route en refroidissant l'eau chaude produite par le webasto (contre productif de chauffer de l'eau très haut pour la refroidir après car le départ pour un circuit radiateur c'est 40maxi, pour éviter les risque de brulure si tu les touches. Et si tu le fais couper plus tôt, par exemple à 50, ben ton circuit d'eau n'aura pas d'inertie, donc la chaudière va tourner souvent etc... Je sais pas si c'est claire ^^).
Ainsi stocké c'est plus simple de réguler le départ au radiateur, tu économise en électricité et en gasoil, tu as de l'eau chaude pour la douche etc... C'est comme ça qu'on fait dans les maisons avec chaudière a bois, fioul et pompe a chaleur.
Hey ! Viendez voir: http://www.4rouesmaurice.com/ c'est mon bus !
play3000
Messages : 229
Enregistré le : 06 déc. 2021, 10:06
Localisation : Bretagne

Re: Chauffage via webasto et circuit origine

Message par play3000 »

Ah oui, je vois. Bon, un détail auquel je n'avais effectivement pas pensé, c'est la température du LDR... et donc des radiateurs en direct.
Bon, va falloir y réfléchir et ça met le binz par rapport à l'installation prévue. Il ne sera pas prêt en juillet à ce rythme ;-D.
lambish
Administrateur du site
Messages : 754
Enregistré le : 13 nov. 2021, 12:33

Re: Chauffage via webasto et circuit origine

Message par lambish »

Oups ^^ hésite pas si tu as des questions :)
Hey ! Viendez voir: http://www.4rouesmaurice.com/ c'est mon bus !
play3000
Messages : 229
Enregistré le : 06 déc. 2021, 10:06
Localisation : Bretagne

Re: Chauffage via webasto et circuit origine

Message par play3000 »

Bonjour,

De ce que j'ai vu, le Webasto ne chauffe pas à plus d e70°C. Dernière, la chaudière de ma maison faisait n'importe quoi et chauffait au max le circuit chauffage (donc eau à 70°C). Ca n'a pas posé de pb, je vais donc aller au plus simple.

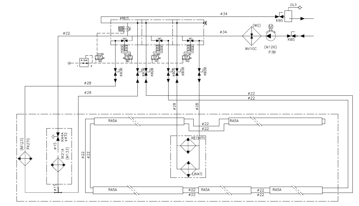
Du coup, j'ai trouvé le schéma logique du circuit de chaffage Webasto :
Schema_principe_chauffage.jpeg
Pour info :
- FK27G : radiateur pour chauffage avant
- IK21A : radiateur chauffage couchette (donc dans les soutes maintenant)
- RA5A : c'était les radiateurs dans l'habitacle. Il n'en reste que 2 que j'ai modifié et je vais ajouter des radiateurs eau chaude classique sur ce circuit
- WG/W10C : Webasto
- P3B : pompe avant webasto
- KRB1T : c'est le module de distribution
- RECHTS et LINKS, ce sont les modules "clim" du toit d'origine. Ils servent aussi de chaffage du coup.
De ce que j'en comprends :
- il y a un retour (soupape) de surpression dans le module de distribution si la pression dépasse 4 bars (bonne nouvelle). Les radiateurs supportent tous au moins jusqu'à 4 bars. => Vous avez la même lecture du schéma de principe ?
- mon radiateur de couchette habitacle est toujours alimenté si le robinet thermostatique est ouvert, dès qu'il y a circulation de liquide de refroidissement.

Le circuit modifié que je prévois :
SchemaEnvisage.jpeg
- ajout du chauffe et dérivation sur le radiateur couchette (puisqu'il est alimenté en permanence)
- ajout d'un lien permettant de court-circuiter le moteur.
Il faut que je vois comment je vais pouvoir gérer la fermeture ou l'ouverture des vannes en fonction des besoins (en circulation, il faut que le moteur chauffe l'eau pour alimenter le chauffage et le chauffe eau), en stationnaire, le moteur ne doit pas être alimenté en eau chaude pour éviter les déperditions. Manuellement, ce ne sont pas les endroits les plus accessibles...

Vous avez des avis ou des commentaires ?

A+
lambish
Administrateur du site
Messages : 754
Enregistré le : 13 nov. 2021, 12:33

Re: Chauffage via webasto et circuit origine

Message par lambish »

Hello, alors je ne sais pas si c'est spécifique au tiens, le miens ce coupe seul à 82°C (sécurité, dès que ca redescends vers 68 il reprend tout seul aussi et s'arrete de tourner si le délai de deux minutes n'est pas assez long puis redémarre dès que l'eau est à la bonne température. C'est tout d'origine ce que je dis, c'est indépendant de ma régul maison). Il y a deux modes je sais, c'est "paramétrable" dans mes souvenirs (comment ? M'en rappel pas, je peux regarder les docs webasto).

70 dans des radiateurs fonte (ou fonte Alu) ok, dans un plancher chauffant, pas bon ^^ Mais pour ton car ce devrai pas poser de problème.

Je suis très surpris de la pression que tu annonces, les circuits de refroidissements sont très très rarement au dessus de 1Bar, la 4Bar on est super loin au dessus, normalement le vase d'expansion du car aura déjà débordé (tant qu'il reste connecté avec le circuit) (la soupape de ce dernier doit etre aux alentours de 0.75Bar), sinon la pompe U4814 du webasto va pas kiffer et les durites silicones qui font les liaisons a gauche a droite non plus. Je sais pas ce que ca veut dire ce 4 Bars, très étrange.

Pour le schéma ca ne semble pas déconnant mais je me demande comment ca va marcher sans ballon tempon, car le webasto d'origine c'est une 30 Kw, il va faire des tout petits cycles, très souvent, ce qui n'est pas bon en principe pour une chaudière.

Pour l'alimentation du moteur j'ai mis des 3 Voix en 220V, en mode NON alimentée elle sont fermés et le circuit boucle sur le webasto, quand je démarre, j'active un bouton et hop ca passe sur le moteur et shunt le webasto.

Pour les autre électrovannes, je ne sais pas trop, j'ai un système embarqué maison pour ce genre de chose.
Hey ! Viendez voir: http://www.4rouesmaurice.com/ c'est mon bus !
play3000
Messages : 229
Enregistré le : 06 déc. 2021, 10:06
Localisation : Bretagne

Re: Chauffage via webasto et circuit origine

Message par play3000 »

Bonjour,
Merci pour ces retours
Je n'ai que des radiateurs.
Pour la pression, effectivement, mes bouchons de vase d'expansion sont à moins d'1bar de mémoire (0,8 me semble-t-il), loin des 4
bars sur le schéma.
C'est vrai qu'avec le moteur, cela fait une grosse quantité de liquide à chauffer. Je verrai ce que ça donne lorsque j'isole le moteur. Si les cycles sont trop courts et trop fréquents, j'aviserai pour intégrer un ballon.
Pour les vannes, si je me trompe pas, une seule 3 voies doit suffire. Par contre, tu as mis quoi comme modèle de vanne (j'ai pas vraiment trouvé de 3 voies qui ne sont pas des vannes mélangeuses de chauffage central !) ?
Les autres électrovannes sur le schémas sont celles du circuit d'origine. Je pense que je peux facilement les commander, il faut juste que je comprenne comment elles fonctionnent.
lambish
Administrateur du site
Messages : 754
Enregistré le : 13 nov. 2021, 12:33

Re: Chauffage via webasto et circuit origine

Message par lambish »

De rien ;)

Ouai je sais pas d'où ils sortent ca, faudrait regarder en détail ou est placer cette sécurité.

Ouai le moteur c'est environ 60L de LDR, ca fait beaucoup pour chauffer dehors ^^

Et non ils va t'en falloir deux, c'est le mieux, parce qu'avec un retour commun par ex, tu vas avoir de la eprte dans le moteur par conduction, il faut vraiment les isoler. Des vannes 3 voies tout ou rien en 220V de maison ^^ Celle là par exemple: https://www.manomano.fr/p/vanne-de-zone ... ils-428542 => c'est pas une mélangeuse, elle a un fonctionnement manuelle au cas où et par défaut elle est ouvert soit sur A soit sur B (a voir suivant la vanne) et inversement en tension.
En gros le AB c'est le commun (ton chauffage), le A le webasto et le B le moteur ;)

C'est surement des vannes a boisseaux motorisée, peut-être en pas-à-pas mais pas sur. Après c'est soir des fonctionnement astable ou stable (soit elle revient en positon de départ lorsque pas de tension soit elle reste a sa positon et il faut une tension inverse pour lui faire retrouver sa position de départ
Hey ! Viendez voir: http://www.4rouesmaurice.com/ c'est mon bus !
Répondre